10.4.1. 概述

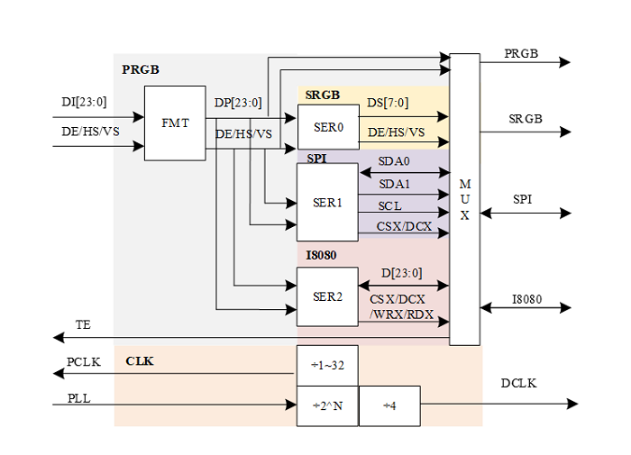
LCD模块是实现将DE(Display Engine)送过来的DPI接口转换为各种屏支持格式,该版本支持PRGB(并行RGB)、SRGB(串行RGB)、I8080以及SPI。

10.4.1.1. 特性说明

  • 支持PRGB/SRGB/I8080/SPI四种接口

  • 支持8位色深,R/G/B三组信号可任意交叉,空白区域数据可配置

  • 支持R/G/B组内数据输出顺序切换

  • 支持PRGB 24/18/16bit模式,最高1080P60

  • 支持SRGB 8/6bit模式,最高480x320@60fps

  • 支持I8080 24/18/16/9/8bit模式,最高960x540@60fps

  • 支持SPI 3/4-wire以及4-sda模式,最高480x320@60fps

  • 支持SPI 8/24/32bit read模式

  • PRGB/SRGB时钟提供4个相位选择

  • I8080输出支持三种采样方式

  • SPI支持四种采样方式

  • I8080/SPI支持64x8bit FIFO

  • 支持像素时钟频率1MHz~200MHz

  • 分辨率及其他规格参考DE规格书

10.4.1.2. 原理框图

../../../_images/lcd_overview_block.png