10.9.2. 功能描述

10.9.2.1. I2S mode

  1. I2S Format

    ../../../_images/i2sformat.png

    图 10.72 I2S Format

    I2S Format可以通过两通道(左右声道)的TDM,Mode SEL = 0x1实现,另外需要配置寄存器T/RX0_OFFSET=1,使得采样数据滞后LRCK一个BCLK的时间长度。LRCK可通过寄存器LRCK_POLARITY选择左右声道的有效电平,上图为默认值,低电平为左声道,高电平为右声道。

    图中关键参数具体含义如下:

    • LRCK_PERIOD:LRCK传输数据的时间长度,I2S模式下指的是左声道或右声道的时间长度。

    • SW:Slot Width,通道长度,指的是最大可采样的数据长度。

    • SR:Sample Resolution,采样点精度,指的是实际采样的数据长度。

    上述三个参数可以通过配置相应寄存器来满足具体的需求,所有I2S mode以及PCM mode均适用。

    需要注意的是当SR小于SW时,超出SR长度的数据无法采集且会被填充,填充内容可通过寄存器SEXT配置(一般为0)。

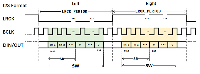
  2. Left Justified Format

    ../../../_images/leftjustifiedformat.png

    图 10.73 Left Justified Format

    Left Justified Format可以通过两通道(左右声道)的TDM,Mode SEL = 0x1实现,另外需要配置寄存器T/RX0_OFFSET=0,使得采样数据无需滞后LRCK。LRCK可通过寄存器LRCK_POLARITY选择左右声道的有效电平,上图为默认值,低电平为左声道,高电平为右声道。

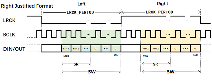
  3. Right Justified Format

    ../../../_images/rightjustifiedformat.png

    图 10.74 Right Justified Format

    Right Justified Format可以通过两通道(左右声道)的TDM,Mode SEL = 0x2实现。LRCK可通过寄存器LRCK_POLARITY选择左右声道的有效电平,上图为默认值,低电平为左声道,高电平为右声道。

10.9.2.2. PCM mode

  1. PCM Short Frame Format

    ../../../_images/pcmshortframeformat.png

    图 10.75 PCM Short Frame Format

    PCM Short Frame Format可以通过两通道(左右声道)的TDM,Mode SEL = 0x0实现,另外需配置寄存器LRCK_WIDTH = 0(LRCK产生一个BCLK周期长度的脉冲),以及LRCK_POLARITY = 0(LRCK的下降沿开始进行数据的传输)。

  2. PCM Long Frame Format

    ../../../_images/pcmlongframeformat.png

    图 10.76 PCM Long Frame Format

    PCM Long Frame Format可以通过两通道(左右声道)的TDM,Mode SEL = 0x0实现,另外需配置寄存器LRCK_WIDTH = 1(LRCK产生两个BCLK周期长度的脉冲),以及LRCK_POLARITY = 1(LRCK的上升沿开始进行数据的传输)。

10.9.2.3. TDM mode

  1. TDM-I2S Format

    ../../../_images/tdmi2sformat.png

    图 10.77 TDM-I2S Format

    ../../../_images/tdmpcmformat.png

    图 10.78 TDM-PCM Format

    I2S接口模块输入输出均支持最大16通道的TDM模式,上图分别给出16通道的的TDM-I2S Format、TDM-PCM Format的时序示意图。此I2S接口模块支持通过软件配置TDM模式,实现灵活改变通道数目、通道的位宽、LRCK和BCLK的时序。

10.9.3. 编程指南

  1. 对于播放48kHz、16bit的音源数据,采用I2S格式进行传输,初始化配置如下:

    接口信号配置:

    • I2S_CTL寄存器

      bclk_out = 1; // BCLK为输出信号

      lrck_out = 1; //LRCK为输出信号

      dout0_en = 1; //DOUT0输出使能

    格式配置,I2S格式:

    • I2S_CTL寄存器

      mode_sel = 0x1; //I2S模式

    • I2S_FMT0寄存器

      lrck_polarity = 0x0; //LRCK低电平为左声道,高电平为右声道

      lrck_period = 0x1f ; //在I2S模式下,左/右声道的数据时间长度,这里配置为32 * BCLK

      bclk_polarity = 0x0; //DOUT在BCLK的下降沿发送数据

      sr = 0x3; //采样点的数据精度为16bit

      sw = 0x7; //通道位宽设定为32bit,配置与lrck_period一致

    • I2S_FMT1寄存器

      tx_mls = 0x0; //最高比特MSB先发送

      sext = 0x0; //在sr < sw的情况下,在低位补0

      tx_pdm = 0x0; //线性PCM数据

    • I2S_TX0CHSEL寄存器

      tx0_offset = 0x1; //1x BCLK偏移,实现I2S格式

      tx0_chsel = 0x1; // TDM采用2x 通道,1路通道作为左声道,1路通道作为右声道

      tx0_chen = 0x3; //TDM使能通道0和通道1

    • I2S_TX0MAP1寄存器

      tx0_ch0_map = 0x0; //通道0映射FIFO读取的第一个采样点,为左声道数据

      tx0_ch1_map = 0x1; //通道0映射FIFO读取的第二个样点,为右声道数据

  2. 对于播放48kHz、16bit的音源数据,采用PCM格式Short Frame进行传输,初始化配置如下:

    接口信号配置:

    • I2S_CTL寄存器

      bclk_out = 1; // BCLK为输出信号

      lrck_out = 1; //LRCK为输出信号

      dout0_en = 1; //DOUT0输出使能

    格式配置,PCM Short Frame格式:

    • I2S_CTL寄存器

      mode_sel = 0x0; //PCM模式

    • I2S_FMT0寄存器

      pcm_fmt = 0x0; //Short Frame模式

      lrck_polarity = 0x0; //short Frame模式下对应LRCK的下降沿触发数据传输

      lrck_period = 0x3F; //总的数据长度为64x BCLK

      bclk_polarity = 0x0; //DOUT在BCLK的下降沿发送数据

      sr = 0x3; //采样点的数据精度为16bit

      sw = 0x7; //通道位宽设定为32bit

    • I2S_FMT1寄存器

      tx_mls = 0x0; //最高比特MSB先发送

      sext = 0x0; //在sr < sw的情况下,在低位补0

      tx_pdm = 0x0; //线性PCM数据

    • I2S_TX0CHSEL寄存器

      tx0_offset = 0x1; //1x BCLK偏移

      tx0_chsel = 0x1; // TDM采用2x 通道,1路通道作为左声道,1路通道作为右声道

      tx0_chen = 0x3; //TDM使能通道0和通道1

    • I2S_TX0MAP1寄存器

      tx0_ch0_map = 0x0; //通道0映射FIFO读取的第一个采样点,为左声道数据

      tx0_ch1_map = 0x1; //通道0映射FIFO读取的第二个样点,为右声道数据