12.10.1. 概述

GPIO(通用引脚控制器),用于管理具有通用电气特性的引脚,区别于专用引脚(如USB/AUDIO等)。

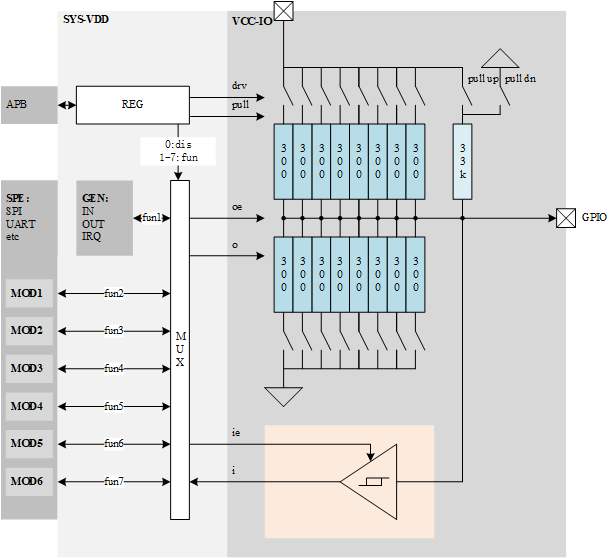
12.10.1.1. 特性说明

  • 6组引脚(PA/PB/PC/PD/PE/PF),IO电源分为3组(VCC33_IO0/VCC33_IO1/VCC33_IO2)

  • 每组IO电源应用上统一用3.3V供电

  • 每组输入中断脉宽可配置,时间可配置为10ns~9.83ms

  • 每个引脚可单独配置为关闭,通用功能和最多7个专用功能

  • 每个引脚可单独使能输出,可单独配置中断触发模式

  • 每个引脚驱动能力单独配置,可选有8个档位

  • 每个引脚上下拉单独配置,可选无上下拉/上拉33KΩ/下拉33KΩ

12.10.1.2. 原理框图

GPIO原理框图如 图 12.69 所示:

../../../_images/gpio_block.png

图 12.69 GPIO 原理框图