13.3.1. 概述

本文档定义了电阻触摸屏接口模块。本模块的功能包括检测电阻触摸屏的触摸动作及通过ADC获取电阻触摸屏 的X轴/Y轴/触摸点的分压值。软件驱动通过X轴/Y轴/触摸点的分压值计算,可以获得电阻触摸屏触摸点的坐标,以及触摸 压感值。

由于本模块通过ADC来获取电阻触摸屏的电压值,所以在启动本模块之前,需要先启动ADC接口管理(ADCIM) 模块。

13.3.1.1. 特性说明

  • 支持APB总线访问寄存器

  • 仅支持4线RTP,即X+/X-/Y+/Y-

  • 支持最多2点触摸

  • 支持压力感应

  • 支持采样滤波,滤波参数可配

  • 支持触摸检测中断

  • 支持16*16 FIFO

13.3.1.2. 原理框图

../../../_images/rtp_connect1.png

图 13.10 RTP接口模块与ADC连接关系

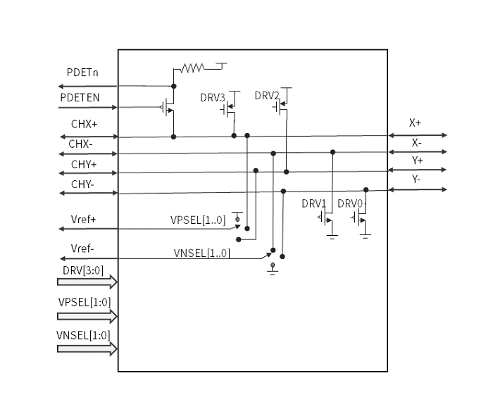
../../../_images/rtp_drive.png

图 13.11 RTP驱动电路原理框图